Beranda » Samsung ada gangguan suara nging…..ng

Samsung ada gangguan suara nging…..ng

 

KASUS :

  • Samsung chasis KSA1 dengan TDA9381
  • Saat stand by normal
  • Ketika dihidupkan muncul gangguan suara ngiiii………ng……. tetapi gambar tetap normal.

 

PEMERIKSAAN AWAL

  • Kami dengarkan suara dengan seksama untuk mencari dari mana sumber suara nging……..
  • Dari flyback? bukan….dari tranfo switching? Bukan…….dari def yoke? Juga bukan………..memang cukup sulit mencari sumbernya.
  • Sepertinya kok dari transistor hoisontal……..(walaupun kurang begitu yakin)……tetapi tetap coba kami ganti…….dan problem tetap sama saja

 

SOLUSI :

  • Untuk mencari sumber gangguan suara – maka kami cari selembar kertas ukuran A3…..kemudian kami gulung agar membentuk semacam tabung dengan diameter kurang lebih 2cm. Alat ini akan kami gunakan untuk membantu mencari lokasi sumber suara nging…..
  • Ujung gulungan kami tempelkan pada telingga. Ujung lainnya kami dekatkan pada board untuk mencari sumber suara nging lebih teliti………atau istilahnya sebagai pengganti stestoskop seperti punya pak dokter.
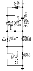
  • Setelah memindah-mindah lokasi ujung gulungan kertas sekitar flyback dan transistor horisontal…..kami menemukan bahwa komponen yang mengeluarkan suara nging tersebut adalah sebuah coil (inductor) yang lokasinya adalah LR401S 190uH (lihat gambar dibawah yang ada tanda segitiga). Gulungan kawatnya kendor barang kali?
  • Untuk memiliki mesin bekas rusakan yang tipenya sama…….tinggal lepas dan ganti………gangguan langsung hilang.
  • Wah……….ana-ana wae (ada-ada saja)

clip_image002

************************

Labels

AC ADJUSTMENT Advisories Air Conditioner AKARI AKIRA kadang tidak bisa start alarm Apps ARTIKEL atx audio Audio Power Amp Bagian Horisontal BASIC battery charger Bedah Electronic BELTRON ( Belajar Electronica ) BIKIN FOLDER WARNA WARNI biquad BUKA MENU SERVICE TV butuh bantuan nih....... cable checker cara membuka ic mpeg CARA MENGATASI VCD SAMSUNG STANBY CATATAN KECIL ceiling fan control motor 1 fase control motor 3 fase CRT CRT-YOKE-SOKET CRYSTAL CUSTOMER-SERVICE DATA-DATA Default Setting Eprom TV Defleksi DIGITEC-POLYTRON Disassembly Guides DivX DO IT YOUR SELF DVD DVD MATSUNICHI DVD LG model HT762TZ home theater stanby +tidak keluar gambar DVD samsung p-181 standby EEPROM electronic components Elektronic ESR-meter Evaporator FBT FBT-HIGH VOLTAGE Flashfiles Flyback flyback transformer fm Freezer freon fun circuits Gadget gambar cacat pada dvd DAT Gas beracun GEJALA KERUSAKAN GENERATOR gsm software high voltage HORISONTAL hp tx1000 Iklan Gratis INFO Info produk Info Technology Info. Info.Technology Instrument intercom Internet inverter irda jangan buang mpeg rusak jumper ic mpeg vcd yang hilang gambar Keluargaku Kerusakan vertikal tv sharp wonder Knight KOMPONEN kompresor KONKA KULKAS Kursus 60 detik Laptop LCD LCD Repair LDP LED and Light LG hilang gambar Log LUCKY-GOLDSTAR m1-da MEMBUKA TV CHINA YANG TERKUNCI mempercepat open close menambah USB pada MPEG dvd mengatasi dvd yang sering no disc mengganti ic sunplus karena gambar hilang MENU SERVICE CODE Mesin cuci MIKROKONTROL misc Modifikasi monitor monitor CHINA monitor GTC monitor LG Monitor Repair-ASIATECH Monitor Repair-GTC Monitor Repair-Hp Monitor Repair-LG Motor 3 fase Motor spin Motor Washing MP3/MP4/MP5 NO DISC notebook optical mouse Original oscillator PANASONIC Pc utilities pengalaman pribadi PERSAMAAN FLYBACK Pesanan skema PHILIPS pic microchip PIC16F pin tabung crt plasma tv POLYTRON Pompa air Power Inverter power supply POWER-SUPLY PROBLEM NO DISC DAN PROBLEM OPEN CLOSE PADA VCD AUTECH projector PROTEK psu Radio rangkaian control motor RASTER-BLANK Refrigerant Relay MK2P remote controlled repair Repair Guides REPAIR-TIPS ROM SAMSUNG SANYO SCHEMA Schematics servic TV JVC Service Antena Parabola Digital Service Centre Service Listrik Jogja Service Listrik Sleman service menu Service mesin cuci jogja Service mesin cuci Sleman SERVICE MODE Service Mode TV Service pompa air Jogja Service Sound Sistem Mobil Service Televisi Service VCD / DVD ServiceTV Servis Servis Mode servis mode tv cina SHARP SHARP chassis DUNTKE134WE Show Case Skema TV Software SONY sony tidak bisa start lagi SOUND (SUARA) Sparepart spdif sunplus flash programmer SV 220 TCL Technology Teknik Teknisi telephone terkadang bisa tapi 10 detik +/- mati Timer Spin Timer Washing. TIP DAN TRIK Tip's Tips tips and tricks Tips-Trik Tips. Tools TOSHIBA toslink touch switch Transistor transmitter triac Troubleshooting TUNER-VIF tv TV akari TV CHINA TV CINA TV GOLDSTAR TV JVC TV KONKA TV LG TV LG HORIZONTAL SELALU RUSAK TV PANASONIC TV PHILIPS TV POLYTRON Tv Repair-AIWA Tv Repair-AKARI Tv Repair-AKIRA Tv Repair-DETRON Tv Repair-LG/GOLDSTAR Tv Repair-PANASONIC Tv Repair-POLYTRON Tv REPAIR-SAMSUNG Tv Repair-SANYO Tv Repair-SHARP Tv Repair-SONY Tv Repair-TOSHIBA Tv Repair-TV CHINA TV SAMSUNG TV SANKEN TV SANYO TV SHARP tv sony TV TCL TV TOSHIBA universal remote kontrol VERTIKAL vga video VIDEO-CHROMA Warnings Water Heater WD 40 wlan antenna Zic
Diberdayakan oleh Blogger.