Beranda » Polytron power tidak mau “on” (st by ok)

Polytron power tidak mau “on” (st by ok)

 

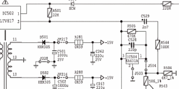
Sering kami mendapat pertanyaan tentang Polytron yang mati stand by tidak mau “on”. Oleh karena itu disini sedikit kami ulas cara kerja sirkit kontrol 0n-off Polyton yang menggunakan power suply seperti gambar dibawah ini (biasanya yang menggunakan FET FS7UM)

clip_image002

Saat Posisi stand by.

  • Pin-36 kontrol power dari mikrokontrol mengeluarkan tegangan “high”
  • Basis T506 ada tegangan sekitar 0.6v >> transistor “on” dan C-E seperti dishortkan >> kolektor tegangan nol >> dan transistor T505 kondisi “on”
  • Arus photocoupler akan seperti dishortkan langsung ke ground lewat D511 >> T506. Akibatnya semua tegangan sekunder drops. Tegangan pada D504/elko C505 masih rendah hanya sekitar 12v
  • Suply 5v untuk mikrokontrol akan diberikan dari tegangan 12v ini >> T505 >> Regulator 5v T504 (yang ada zener 5.6v)
  • Pada st-by  tegangan B+ hanya sekitar 30v, tegangan 40v hanya sekitar 12v, tergangan 14v hanya sekitar 4v.

Saat posisi Power-on

  • Pin-36 kontrol Power dari mikrokontrol akan berubah menjadi “nol”
  • Basin T506 tegangan nol >> transistor “off” >> kolektor ada tegangan >> transistor T505 berubah menjadi “off”.
  • Arus photocoupler yang semula langsung dishortkan ke ground sekarang ganti akan dilewatkan IC504 KA431 dari pin-3 ke pin-2 (ground). KA431 merupakan “error correction” untuk menstabilkan tegangan B+.

clip_image004

  • Semua tegangan sekunder akan berubah naik menjadi normal.
  • Karena T505 sekarang berubah menjadi “off”, maka tegangan 5v untuk suply mikrokontrol akan ganti diberikan dari sumber 14v >> R512 >> D510.
  • Pada saat yang sama suply Vcc untuk Horisontal –start akan mendapat tegangan suply 8v dari sumber 14v >> R508 >> Regulator 8v T502.

clip_image006

 

TROBELSHUTING

Stand by tidak mau “on”

  • Cek apakah tegangan suply Vcc 5v untuk mikrokontrol normal
  • Paling sering dijumpai karena elko filter C505 untuk tegangan 40v kering. Elko kering mengakibatkan tegangan keluaran menjadi drops.
  • Pesawat on sebentar terus mati. Kadang disebabkan karena kerusakan D510. Karena hal ini menyebabkan tegangan 5v saat power-on untuk mikrokontrol drops

Saat di “power-on” tegangan B+ tidak mau naik ke normal (115v)

  • Periksa apakah basis T506 tegangan sudah dapat berubah menjadi nol. Kalau tidak mau nol
  • Coba lepas T505 – tegangan B+ seharusnya dapat naik menjadi normal. Kalau tidak dapat naik menjadi normal maka kemungkinan problem pada bagian switching regulator. Periksa elko B+ mungkin kering atau FET rusak.

Saat “power-on” horisontal tidak kerja

  • Periksa apakah Hor Vcc sudah mendapat tegangan 8v
  • Periksa tegangan suply 14v
  • Problem dapat disebabkan elko flter 14v kering atau sirkit regulator 8v ada yg problem

Problem mikrokontrol

  • Basis T506 tidak mau berubah ke nol saat di-power-on
  • Periksa tegangan suply Vcc 5v mikrokontrol
  • Periksa pin osilator apakah ada tegangan sekitar 1 ~ 2v.
  • Perisak pin-reset apakah sudah ada tegangansekitar 4v
  • Periksa jalur SDA/SCL mungkin ada yang sedikitshort

 

+++++++++++++++++++

Labels

AC ADJUSTMENT Advisories Air Conditioner AKARI AKIRA kadang tidak bisa start alarm Apps ARTIKEL atx audio Audio Power Amp Bagian Horisontal BASIC battery charger Bedah Electronic BELTRON ( Belajar Electronica ) BIKIN FOLDER WARNA WARNI biquad BUKA MENU SERVICE TV butuh bantuan nih....... cable checker cara membuka ic mpeg CARA MENGATASI VCD SAMSUNG STANBY CATATAN KECIL ceiling fan control motor 1 fase control motor 3 fase CRT CRT-YOKE-SOKET CRYSTAL CUSTOMER-SERVICE DATA-DATA Default Setting Eprom TV Defleksi DIGITEC-POLYTRON Disassembly Guides DivX DO IT YOUR SELF DVD DVD MATSUNICHI DVD LG model HT762TZ home theater stanby +tidak keluar gambar DVD samsung p-181 standby EEPROM electronic components Elektronic ESR-meter Evaporator FBT FBT-HIGH VOLTAGE Flashfiles Flyback flyback transformer fm Freezer freon fun circuits Gadget gambar cacat pada dvd DAT Gas beracun GEJALA KERUSAKAN GENERATOR gsm software high voltage HORISONTAL hp tx1000 Iklan Gratis INFO Info produk Info Technology Info. Info.Technology Instrument intercom Internet inverter irda jangan buang mpeg rusak jumper ic mpeg vcd yang hilang gambar Keluargaku Kerusakan vertikal tv sharp wonder Knight KOMPONEN kompresor KONKA KULKAS Kursus 60 detik Laptop LCD LCD Repair LDP LED and Light LG hilang gambar Log LUCKY-GOLDSTAR m1-da MEMBUKA TV CHINA YANG TERKUNCI mempercepat open close menambah USB pada MPEG dvd mengatasi dvd yang sering no disc mengganti ic sunplus karena gambar hilang MENU SERVICE CODE Mesin cuci MIKROKONTROL misc Modifikasi monitor monitor CHINA monitor GTC monitor LG Monitor Repair-ASIATECH Monitor Repair-GTC Monitor Repair-Hp Monitor Repair-LG Motor 3 fase Motor spin Motor Washing MP3/MP4/MP5 NO DISC notebook optical mouse Original oscillator PANASONIC Pc utilities pengalaman pribadi PERSAMAAN FLYBACK Pesanan skema PHILIPS pic microchip PIC16F pin tabung crt plasma tv POLYTRON Pompa air Power Inverter power supply POWER-SUPLY PROBLEM NO DISC DAN PROBLEM OPEN CLOSE PADA VCD AUTECH projector PROTEK psu Radio rangkaian control motor RASTER-BLANK Refrigerant Relay MK2P remote controlled repair Repair Guides REPAIR-TIPS ROM SAMSUNG SANYO SCHEMA Schematics servic TV JVC Service Antena Parabola Digital Service Centre Service Listrik Jogja Service Listrik Sleman service menu Service mesin cuci jogja Service mesin cuci Sleman SERVICE MODE Service Mode TV Service pompa air Jogja Service Sound Sistem Mobil Service Televisi Service VCD / DVD ServiceTV Servis Servis Mode servis mode tv cina SHARP SHARP chassis DUNTKE134WE Show Case Skema TV Software SONY sony tidak bisa start lagi SOUND (SUARA) Sparepart spdif sunplus flash programmer SV 220 TCL Technology Teknik Teknisi telephone terkadang bisa tapi 10 detik +/- mati Timer Spin Timer Washing. TIP DAN TRIK Tip's Tips tips and tricks Tips-Trik Tips. Tools TOSHIBA toslink touch switch Transistor transmitter triac Troubleshooting TUNER-VIF tv TV akari TV CHINA TV CINA TV GOLDSTAR TV JVC TV KONKA TV LG TV LG HORIZONTAL SELALU RUSAK TV PANASONIC TV PHILIPS TV POLYTRON Tv Repair-AIWA Tv Repair-AKARI Tv Repair-AKIRA Tv Repair-DETRON Tv Repair-LG/GOLDSTAR Tv Repair-PANASONIC Tv Repair-POLYTRON Tv REPAIR-SAMSUNG Tv Repair-SANYO Tv Repair-SHARP Tv Repair-SONY Tv Repair-TOSHIBA Tv Repair-TV CHINA TV SAMSUNG TV SANKEN TV SANYO TV SHARP tv sony TV TCL TV TOSHIBA universal remote kontrol VERTIKAL vga video VIDEO-CHROMA Warnings Water Heater WD 40 wlan antenna Zic
Diberdayakan oleh Blogger.