Beranda » Memahami bagian-2 sirkit Horisontal-out

Memahami bagian-2 sirkit Horisontal-out

(tulisan ini merupakan revisi ke.1 tulisan sebelumnya)

Jalur utama pulsa horisontal adalah dari kolektor transistor HOT >>def yoke >> kumparan linearity >> kapasitor “S” >> ground.

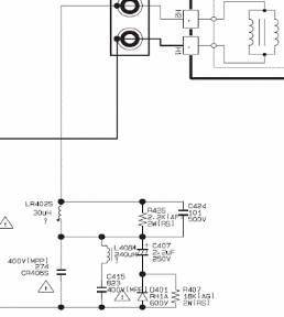
Mengenal nama-nama part pada bagian horisontal-out (lihat gambar dibawah)

  • Kapasitor resonan (nama lain adalah kapasitor safety, damper) yaitu kapasitor milar yang umumnya mempunyai tegangan kerja 1600v (tidak nampak pada gambar)
  • Kapasitor “S” ( S curve correction) yaitu kapasitor milar yang umunya mempunyai nilai sekitar 304 dengan tegangan kerja sekitar 200 hingga 400v. Dipasang secara seri dengan def yoke dan coil linearity (contoh gambar CR406S)
  • Kumparan Linearity horisontal , merupakan kumparan yang dipasang secara serial dengan def yoke dan kapasitor S (contoh gambar LR402S)
  • Sirkit “Kink” correction (koreksi cacat cross-hatch) terdiri dari sebuah dengan tegangan 160v~250v, sebuah diode dan sebuah resistor. Sirkit dipasang paralel dengan kapasitor S (contoh gambar C407, R407, D401)
  • Sirkit ‘M” correction yang terdiri dari coil dan kapasitor yang dipasang paralel pada kapasitor S sama seperti halnya sirkit “kink” correction (contoh gambar L408 dan C823)

clip_image002Gambar adalah contoh bagian dari skema Samsung

 

I.Kapasitor Resonan

Fungsi

  • Meredam tegangan induksi diri yang sangat tinggi sekali yang terjadi pada flyback

Jika rusak sehingga nilai mengecil atau solderan lepas

  • Akan mengakibatkan tegangan induksi diri pada flyback sangat tinggi dan menyebabkan transistor HOT short kolektor-emitor
  • Tegangan keluaran HV dari flyback akan naiksangat tinggi (hingga 50 Kv atau lebih). Pada kasus tertentu hal ini dapat menyebabkan CRT rusak

Jika nilai diperbesar

  • Raster akan melebar arah kiri-kanan
  • Tegangan keluaran dari flyback seperti misalnya tegangan heater, tegangan tinggi HV, akan drops

Jika nilai sedikit menurun atau diperkecil

  • Raster akan menyempit pada bgaian kiri-kanan.
  • Tegangan keluaran dari flyback akan naik semua, seperti tegangan heater.
  • Tegangan tinggi HV yang naik sehingga melebihi spesifikasi. dan dalam jangka waktu tertentu dapat menyebabkan CRT rusak
  • Dapat memicu X-ray protektor aktip bekerja.

II.Kapasitor “S”

Fungsi

  • Memperbaiki cacat “S”. Yaitu cacat dimana gambar pada bagian kiri-kanan layar menjadi lebih renggang dibanding gambar pada bagian tengah layar.
  • Jika rusak - Harus diganti dengan nilai yang sama.
  • Cacat “S” hanya bisa diamati jika gambar menampilkan patern cross-hatch (kotak-kotak)

Jika rusak sehingga mengecil atau nilai nol atau solderan lepas

  • Menyebabkan jalur pulsa horisontal buntu, sehingga berpindah akan melalui sirkit “kink correction”. Menyebabkan elko pada sirkit “kink” correction meletus dan resistor terbakar
  • Raster akan menyala satu garis tegak lurus dibagian tengah layar
  • Pada teve model tertentu seperti SONY – menyebabkan semua tegangan keluaran dari flyback drops menjadi sangat kecil – raster gelap – sehingga kadang teknisi terjebak disangka problem pada bagian horisontal out atau flyback rusak.

Jika diganti dengan nilai yang tidak sama (lebih besar atau kecil)

  • Jika dilihat sepintas  gambar nampak seperti normal-normal saja. Kalau dicek dengan patern akan nampak cacat “S”. Cacat kadang juga dapat dilihat saat ada gambar teks berjalan.

III.Coil linearity

Fungsi

  • Memperbaiki cacat horisontal linearity. Yaitu cacat dimana gambar pada bagian kanan layar seperti dikompres.
  • Jika rusak (terbakar) harus diganti dengan nilai (mH) yang sama.
  • Mempunyai polaritas seperti elko – pemasangan tidak boleh terbalik. Pada bagian part maupun board biasanya sudah diberi tanda. Kalau terbalik cacat akan nampak bertambah parah.

Jika terbakar atau dishort langsung

  • Dilihat sepintas gambar normal-normal saja. Tetapi kalu dicek pakai patern akan terlihat cacat tersebut. Cacat kadang juga dapat dilihat saat ada gambar teks berjalan. Bahu kiri-kanan penyiar nampak tidak simetris

IV. Sirkit “kink” correction

Fungsi

  • Memperbaiki cacat cross-hatch, dimana jika gambar menampilkan garis tegak vertikal silang dengan garis horisontal, maka akan timbul cacat seperti cacing pada bagian garis tegak vertikal

Jika salah satu part ada yang rusak atau tidak dipasang

  • Secara sepintas gambar seperti normal-normal saja. Cacat akan timbul jika layar menampilkan gambar yang ada garis silangnya.

V.Sirkit “M” correction

Fungsi

  • Fungsi hampir miirip dengan fungsi kapasitor “S”

Jika part ada yang rusak atau tidak dipasang

  • Secara sepintas tidak nampak problem pada gambar.

VI. Def yoke (horisontal)

Fungsi

  • Mengontrol sinar elektron untuk melakukan scanning dari arah kiri ke kanan layar

Jika rusak short

  • Kalau kerusakan masih ringan – raster akan nampak berbentuk seperti trapesium (bagian pinggir kiri-kanan miring)
  • Menyebabkan kumparan terbakar/berasap
  • Menyebabkan tegangan B+ drops, tegangan keluaran flyback drops.
  • Kerusakan cukup parah dapat menyebabkan transistor HOT rusak

Salah satu kumparan putus

  • Def Yoke horisontal umunya terdiri dari 2 buah kumparan yang dipasang secara paralel. Jika salah satu putus maka raster akan menyempit secara horisontal dan membentuk seperti trapesium.

Kalau diganti dengan tipe yang berbeda

  • Dapat menyebabkan konvergen dinamis problem. Yaitu garis putih pada bagian pinggir-pinggir layar pecah menjadi tiga garis RGB

Jika diganti dengan impedansi (ohm) yang lebih rendah

  • Raster cenderung akan melebar kiri-kanan
  • Tegangan keluaran dari flyback akan naik.
  • Karena itu perlu dilakukan penyesuaian nilai resistor heater (diperbesar) agar tegangan heatar tidak melonjak. Tegangan heater yang naik dapat menyebabkan umur pemakaian CRT lebih pendek
  • Jika impedansi pengganti terlalu rendah dapat menyebabkan transistor HOT panas atau jebol, disebabkan karena tegangan dari flyback menjadi naik sangat tinggi.
  • Pada kasus tertentu dapat menyebabkan CRT rusak, karena tegangan tinggi HV naik sangat tinggi (hal ini sering terjadi pada SAMSUNG)

Jika diganti dengan impedansi (ohm) yang lebih besar

  • Raster cenderung akan menyempit kiri-kanan – dapat dikoreksi dengan memperbesar nilai kapasitor resonance atau penggunaan tranfo-yoke (step-up)
  • Tegangan keluaran dari flyback cenderung akan menurun.
  • Tegangan heater drops sehingga gambar menjadi redup.

 

clip_image004

Cacat kink atau cacat cross hatch, jika menampilkan garis silang (cross) maka garis vertikal akan menjadi bengkok seperti pada contoh gambar (gambar dari Toshiba training manual)

 

                   
                   
                   
                   
                   
                   
                   
Gambar cacat “S”. Disini nampak gambar pada samping kiri-kanan lebih renggang dibanding gambar pada tengah layar

 

                   
                   
                   
                   
                   
                   
Cacat horisontal linear. Disini gambar pada bagian kanan layar nampak lebih rapat dibanding gambar pada bagian kiri layar.

 

***********************

Labels

AC ADJUSTMENT Advisories Air Conditioner AKARI AKIRA kadang tidak bisa start alarm Apps ARTIKEL atx audio Audio Power Amp Bagian Horisontal BASIC battery charger Bedah Electronic BELTRON ( Belajar Electronica ) BIKIN FOLDER WARNA WARNI biquad BUKA MENU SERVICE TV butuh bantuan nih....... cable checker cara membuka ic mpeg CARA MENGATASI VCD SAMSUNG STANBY CATATAN KECIL ceiling fan control motor 1 fase control motor 3 fase CRT CRT-YOKE-SOKET CRYSTAL CUSTOMER-SERVICE DATA-DATA Default Setting Eprom TV Defleksi DIGITEC-POLYTRON Disassembly Guides DivX DO IT YOUR SELF DVD DVD MATSUNICHI DVD LG model HT762TZ home theater stanby +tidak keluar gambar DVD samsung p-181 standby EEPROM electronic components Elektronic ESR-meter Evaporator FBT FBT-HIGH VOLTAGE Flashfiles Flyback flyback transformer fm Freezer freon fun circuits Gadget gambar cacat pada dvd DAT Gas beracun GEJALA KERUSAKAN GENERATOR gsm software high voltage HORISONTAL hp tx1000 Iklan Gratis INFO Info produk Info Technology Info. Info.Technology Instrument intercom Internet inverter irda jangan buang mpeg rusak jumper ic mpeg vcd yang hilang gambar Keluargaku Kerusakan vertikal tv sharp wonder Knight KOMPONEN kompresor KONKA KULKAS Kursus 60 detik Laptop LCD LCD Repair LDP LED and Light LG hilang gambar Log LUCKY-GOLDSTAR m1-da MEMBUKA TV CHINA YANG TERKUNCI mempercepat open close menambah USB pada MPEG dvd mengatasi dvd yang sering no disc mengganti ic sunplus karena gambar hilang MENU SERVICE CODE Mesin cuci MIKROKONTROL misc Modifikasi monitor monitor CHINA monitor GTC monitor LG Monitor Repair-ASIATECH Monitor Repair-GTC Monitor Repair-Hp Monitor Repair-LG Motor 3 fase Motor spin Motor Washing MP3/MP4/MP5 NO DISC notebook optical mouse Original oscillator PANASONIC Pc utilities pengalaman pribadi PERSAMAAN FLYBACK Pesanan skema PHILIPS pic microchip PIC16F pin tabung crt plasma tv POLYTRON Pompa air Power Inverter power supply POWER-SUPLY PROBLEM NO DISC DAN PROBLEM OPEN CLOSE PADA VCD AUTECH projector PROTEK psu Radio rangkaian control motor RASTER-BLANK Refrigerant Relay MK2P remote controlled repair Repair Guides REPAIR-TIPS ROM SAMSUNG SANYO SCHEMA Schematics servic TV JVC Service Antena Parabola Digital Service Centre Service Listrik Jogja Service Listrik Sleman service menu Service mesin cuci jogja Service mesin cuci Sleman SERVICE MODE Service Mode TV Service pompa air Jogja Service Sound Sistem Mobil Service Televisi Service VCD / DVD ServiceTV Servis Servis Mode servis mode tv cina SHARP SHARP chassis DUNTKE134WE Show Case Skema TV Software SONY sony tidak bisa start lagi SOUND (SUARA) Sparepart spdif sunplus flash programmer SV 220 TCL Technology Teknik Teknisi telephone terkadang bisa tapi 10 detik +/- mati Timer Spin Timer Washing. TIP DAN TRIK Tip's Tips tips and tricks Tips-Trik Tips. Tools TOSHIBA toslink touch switch Transistor transmitter triac Troubleshooting TUNER-VIF tv TV akari TV CHINA TV CINA TV GOLDSTAR TV JVC TV KONKA TV LG TV LG HORIZONTAL SELALU RUSAK TV PANASONIC TV PHILIPS TV POLYTRON Tv Repair-AIWA Tv Repair-AKARI Tv Repair-AKIRA Tv Repair-DETRON Tv Repair-LG/GOLDSTAR Tv Repair-PANASONIC Tv Repair-POLYTRON Tv REPAIR-SAMSUNG Tv Repair-SANYO Tv Repair-SHARP Tv Repair-SONY Tv Repair-TOSHIBA Tv Repair-TV CHINA TV SAMSUNG TV SANKEN TV SANYO TV SHARP tv sony TV TCL TV TOSHIBA universal remote kontrol VERTIKAL vga video VIDEO-CHROMA Warnings Water Heater WD 40 wlan antenna Zic
Diberdayakan oleh Blogger.