Beranda » Memahami cara kerja mikrokontrol sebuah teve

Memahami cara kerja mikrokontrol sebuah teve

(tulisan ini merupakan revisi ke.1 tulisan sebelumnya)

Secara garis besar mikrokontrol terdiri dari bagian-bagian :

  • Input port - atau pintu masukan
  • Output port - atau pintu keluaran
  • CPU (Central Processing Unit)
  • ROM (Read Only Memori)
  • RAM (Read Adress Memori)
  • Osilator sistim
  • Karakter Generator (pembangkit On Screen Display)
  • Reset
  • Eeprom (memori)

 

Input-port

Merupakan pintu masukan untuk memberikan perintah-perintah ke mikrokontrol. Ada beberapa sistim input yang dijumpai pada mikro kontrol.

  • Sistim matrik, yaitu sistim yang banyak dijumpai pada teve model lama dan sudah banyak ditinggalkan karena masih sedikit rumit. Disini ada beberapa jalur kontrol-output (Ko1, Ko2, Ko3......) yang dimatrik dengan beberapa kontrol-input (Ki1, Ki2, Ki3......). Macam-macam jenis perintah dibuat dengan menghubungkan salah satu kontrol-output dengan salah satu kontrol-input dengan touch-switch.
  • Sistim Analog, disini perintah masukan berupa "tegangan" yang di-inputkan pada salah satu input port. Beberapa macam perintah dapat dimasukkan lewat satu pintu masukan, seperti yang umumnya digunakan pada kontrol front panel televisi. Dengan sirkit pembagi tegangan beberapa perintah diinputkan lewat input port Key-in (lihat contoh gambat dibawah). Umumnya pesawat teve hanya menggunakan satu pintu Key-in.
  • Sistim serial data, digunakan untuk memasukkan perintah-perintah yang diterima dari Remote Receiver dan komunikasi antara mikrokontrol dengan ic lainnya (SDA)

Macam-macam jenis masukan pada mikrokontrol pesawat televisi :

  • Key-input , untuk memasukkan data perintah analog dari tombol front panel
  • Infra Red input, untuk masukan perintah yang diterima dari remote yang merupakan serial data
  • AFT-in, merupakan masukan untuk tegangan AFT yang digunakan untuk mengatur Automatic Fine Tuning dan untuk proses Auto-search.
  • Indentifikasi (ID), menerima masukan sinyal Horisontal Sync dari sinyal video sairan yang diterima. Digunakan untuk proses Auto-search dan untuk kontrol muting suara dan gambar (blue back) jika tidak terima siaran. Nama lain yang kadang digunakan untuk masukan ini adalah SD (sync detect).
  • Protek-in, merupakan masukan yang akan memberikan perintah mematikan-kan power secara otomatis jika ada problem pada bagian sirkit lain teve.
  • Horisontal Sync (HS), merupakan masukan pulsa dari flyback yang diperlukan untuk bagian karakter generator OSD
  • Vertikal Sync (VS), merupakan masukan pulsa dari sirkit Vertikal-out yang diperlukan untuk bagian karakter generator OSD
  • SDA, merupakan port input sekaligus output untuk data komunikasi menggunakan serial data dengan ic lain.
  • Reset, merupakan port-input yang akan menerima tegangan reset dari sebuah sirkit reset.
  • Eeprom, merupakan komponen eksternal yang digunakan untuk menyimpan data yang diperlukan agar mikrokontrol dapat berfungsi.

 

CPU (Central Processing Unit)

Merupakan jantung dari mikrokontrol yang berfungsi sebagai pengolah data. Data-data dari input-port diproses untuk dibaca, disimpan, diproses dan kemudian disalurkan ke masing-masing bagian dari output-port sesuai perintah yang diberikan

Output-port

Merupakan hubungan keluar untuk memberikan perintah dari mikrokontrol kebagian sirkit lain sesuai dengan perintah yang diterima input port
Bentuk sinyal output-port ada beberapa macam.

  • PWM (Pulse Wave Modulation), yaitu merupakan output  yang berbentuk tegangan analog yang dapat berubah naik-turun dan dapat diukur menggunakan voltmeter. Misalnya kontrol output untuk tegangan tuning (VT).
  • Tegangan diskrit yang dapat berubah “High” atau “Low” (5v atau 0v). Misalnya kontrol yang digunakan untuk kontrol Band Switch, kontrol TV/AV. Tegangan ini dapat diperiksa dengan voltmeter
  • Serial data (SDA), merupakan sistim komunikasi data digital dimana beberapa macam jenis perintah dapat disalurkan lewat satu pintu keluaran/masukan. SDA membutuhkan pulsa pembantu untuk sinkronisasi sistim kerjanya yang dinamakan serial-clock (SCL). Hampir semua televisi saat ini menggunakan sistim ini karena sirkit dan perkabelan menjadi sangat sederhana. SDA bisa dilihat menggunakan osiloskop

Macam-macam output-port dari mikrokontrol.

  • Power on-off atau St-by, merupakan kontrol untuk menghidupkan atau mematikan teve. Ada model-model yang menggunakan tegangannya “0v” pada saat stand by dan "5v" saat pesawat hidup. Tetapi ada pula yang menggunakan cara sebaliknya.
  • Kontrol band switch ke tuner untuk pengaturan pemilihan band VHFL, VHFH, UHF
  • Kontrol tuning ke tuner (VT) yang merupakan tegangan yang dapat berubah dari nol hingga 32v
  • Kontrol pemilihan TV/AV, umumnya jika terima TV outputnya “0v” dan jika pada posisi AV outputnya “5v”
  • SDA, merupakan output-port digital untuk berbagai macam kontrol. Port ini dipakai sekaligus sebagi port input ke mikrokontrol
  • SCL, pembantu pulsa SDA sebagai sinyal sinkronisasi data
  • Red, Green, dan Blue OSD output, merupakan data OSD dari mikrokontrol untuk dicampur dengan sinyal gambar teve.
  • Fast Blank, merupakan pengendali switch kecepatan tinggi untuk pencampuran antara data OSD dengan gambar teve.

Macam-macam output-port yang mungkin masih dijumpai pada TV model lama :

  • Kontrol gambar analog ke bagian Video-chroma (misal kontrol kontras, warna, britnes)
  • Kontrol suara analog ke bagian Audio (misal kontrol vol, mute)
  • Kontrol sistim warna analog PAL/NTSC atau 50/60

 

ROM (Read Only Memori)

Adalah merupakan jenis memori data yang sudah berisi program tertentu dan hanya dapat “dibaca”. ROM yang ada didalam chip mikrokontrol digunakan untuk menyimpan data-data "program kerja" untuk menjalankan CPU dalam mengolah data. Tanpa ada isi data program kerja maka  mikrokontrol tidak dapat digunakan sama sekali. Program kerja pada  mikrokontrol dirancang oleh desainer teve sesuai dengan keinginan mereka. Mikrokontrol biasanya mempunyai nomor part yang terdiri dari 2 bagian. Nomor part yang bagian belakang (belakang tanda -) menunjukkan isi program-kerja yang disimpan didalam ROM.

 

RAM (Read Address Memori)

Merupakan jenis memori yang dapat dibaca, dihapus dan ditulis ulang isi datanya untuk disimpan sementara yang ada didalam mikrokontrol. RAM yang ada didalam chip mikrokontrol berfungsi untuk menyimpan sementara data dari eeprom yang ada diluar mikrokontrol. Setiap kali pesawat dihidupkan data dari eeprom dibaca CPU dan ditulis kedalam RAM. Dan setiap kali pada saat dimatikan data dari RAM ditulis kembali kedalam eeprom. Hal ini dilakukan sehingga perubahan-perubahan seting terachir yang telah dilakukan pemakai selalu disimpan dalam eeprom. Contoh adalah data program chanel, seting volume, kontras, britnes.

 

OSILATOR SISTIM

Merupakan pembangkit pulsa (clock generator) yang diperlukan mikrokontrol agar dapat bekerja. Frekwensi osilator ditentukan oleh eksternal X-tal. Umumnya frekwensi yang digunakan merupakan kelipatan dari frekwensi 4Mhz. Makin tinggi frekwensi yang digunakan, makin cepat kerja mikrokontrol dalam mengolah data

clip_image002

 

Tegangan “RESET’

Digunakan untuk mengembalikan (me-reset) agar semua sirkit digital yang ada didalam mikrokontrol dikembalikan pada posisi awal. Tegangan input reset untuk pesawat televisi umumnya merupakan tegangan "low". Pada saat pesawat dihidupkan pin-RESET ditahan sesaat agar tegangannya tetap 0v, sebelum kemudian mendapat tegangan sekitar 4 hingga 5v.

Sirkit reset sederhana hanya menggunakan komponen sebuah resistor dan sebuah kapasitor elko saja. Sedang sirkit yang lebih sempurna menggunakan sirkit transistor dan diode zener, atau menggunakan jenis ic.

clip_image004

contoh sirkit RESET yang menggunakan transistor.

 

EEPROM (Electric Erasable Program Read Only Memory)

Adalah merupakan jenis eksternal memori yang dapat dibaca, dihapus dan diganti isi datanya menggunakan pulsa elektris. Eeprom tidak membutuhkan tegangan back-up untuk menyimpan data dan mampu bertahan menyimpan data hingga 10 tahun.
Sebelum ada eeprom, ic memori dahulu ada yang memerlukan bateri untuk back-up agar data tidak hilang. Ada pula yang membutuhkan tegangan (-) 28v untuk menulis dan menghapus data.

Eeprom digunakan untuk menyimpan data :

  • Data konsumen, yaitu data yang dapat dirubah-rubah oleh konsumen pemakai, misalnya nomor program chanel, seting kontras, britnes, warna, dan volume
  • Data adjustment pabrik, data berbagai adjustment yang berhubungan dengan sirkit televisi. Dengan memasukkan dengan kode-kode tertentu (Service Mode)  teknisi dapat merubah isi data ini. Misalnya data white-balance, sub-kontras, AGC dll
  • Data program kerja mikrokontrol, merupakan data yang memberi perintah bagaimana mikrokontrol harus bekerja. Data ini kalau sampai berubah atau cacat dapat menyebabkan teve tidak berfungsi. 

Kemampuan ic memori dalam menyimpan data ditunjukkan pada angka bagian belakang yang tertera pada ic tersebut. Umumnya merupakan kelipatan dari angka 4 (misal 24C04, 24C08, 24C16).  Jika pesawat memiliki banyak fasilitas seperti misalnya kalender, game maka makin besar kemampuan menyimpan data memori yang dibutuhkan.

Hal-hal yang perlu dipahami tentang eeprom

  • Eeprom diproduksi dengan kondisi kosongan, kemudian dipabrik baru diisi dengan program.
  • Eeprom yang dijual diluaran merupakan eeprom kosongan.
  • Beberapa model teve ada yang dapat diganti langsung dengan eeprom kosongan dan secara otomatis akan diisi sendiri oleh ic program.
  • Ada beberapa model teve dapat diganti dengan eeprom kosongan, tetapi membutuhkan prosedur tertentu agar dapat terprogram sendiri secara otomatis (dinamakan inisialisasi)
  • Ada beberapa model teve yang harus diganti dengan eeprom yang sudahdiprogram dari pabrik (pre-program). Kalau teve jenis ini dipasang eeprom kosongan maka teve mungkin dapat menyala tetapi raster tetap gelap atau muncul kode “error”

 

Teknologi I2Cbus (Inter-Intergrated Circuit Bus line)

Merupakan konsep sistim "komunikasi data" antar beberapa ic menggunakan 2 kabel, yaitu  SDA (Serial Data) dan SCL (Serial Clock) yang diperkenalkan pertama kali oleh Philips.

  • Serial Data digunakan komunikasi data dua arah. Misalnya mikrokontrol dapat mengirim data volume, kontras, color ke ic video-chroma. Sebaliknya ic video-chroma dapat mengirim data ke mikrokontrol, misalnya data bahwa telah diterima sinyal suara stereo NICAM sehingga mikrokontrol dapat menampilkan OSD pada layar. 
  • Serial Clock dibangkitkan oleh osilator sistim mikrokontrol dan dikirim ke ic lainnya. Sinyal ini diperlukan sebagai sinyal pembantu komunikasi data agar sinkron.

 

 

clip_image006

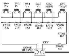
  • Gambar diatas adalah contoh kontrol input sistim analog untuk memberikan perintah-2 dari kontrol front panel teve.
  • Sirkit terdiri dari serial resistor yang digunakan sebagai voltage devider (pembagi tegangan)
  • Jika salah satu tombol kontrol ditekan, maka pada pin-Key input mikrokontrol tegangannya akan berubah sesuai dengan tombol yang ditekan

 

image

  • Gambar diatas merupakan contoh kontrol perintah input sistim matrix yang kadang masih dapat diketemukan pada teve model lama.

 

********************************

Labels

AC ADJUSTMENT Advisories Air Conditioner AKARI AKIRA kadang tidak bisa start alarm Apps ARTIKEL atx audio Audio Power Amp Bagian Horisontal BASIC battery charger Bedah Electronic BELTRON ( Belajar Electronica ) BIKIN FOLDER WARNA WARNI biquad BUKA MENU SERVICE TV butuh bantuan nih....... cable checker cara membuka ic mpeg CARA MENGATASI VCD SAMSUNG STANBY CATATAN KECIL ceiling fan control motor 1 fase control motor 3 fase CRT CRT-YOKE-SOKET CRYSTAL CUSTOMER-SERVICE DATA-DATA Default Setting Eprom TV Defleksi DIGITEC-POLYTRON Disassembly Guides DivX DO IT YOUR SELF DVD DVD MATSUNICHI DVD LG model HT762TZ home theater stanby +tidak keluar gambar DVD samsung p-181 standby EEPROM electronic components Elektronic ESR-meter Evaporator FBT FBT-HIGH VOLTAGE Flashfiles Flyback flyback transformer fm Freezer freon fun circuits Gadget gambar cacat pada dvd DAT Gas beracun GEJALA KERUSAKAN GENERATOR gsm software high voltage HORISONTAL hp tx1000 Iklan Gratis INFO Info produk Info Technology Info. Info.Technology Instrument intercom Internet inverter irda jangan buang mpeg rusak jumper ic mpeg vcd yang hilang gambar Keluargaku Kerusakan vertikal tv sharp wonder Knight KOMPONEN kompresor KONKA KULKAS Kursus 60 detik Laptop LCD LCD Repair LDP LED and Light LG hilang gambar Log LUCKY-GOLDSTAR m1-da MEMBUKA TV CHINA YANG TERKUNCI mempercepat open close menambah USB pada MPEG dvd mengatasi dvd yang sering no disc mengganti ic sunplus karena gambar hilang MENU SERVICE CODE Mesin cuci MIKROKONTROL misc Modifikasi monitor monitor CHINA monitor GTC monitor LG Monitor Repair-ASIATECH Monitor Repair-GTC Monitor Repair-Hp Monitor Repair-LG Motor 3 fase Motor spin Motor Washing MP3/MP4/MP5 NO DISC notebook optical mouse Original oscillator PANASONIC Pc utilities pengalaman pribadi PERSAMAAN FLYBACK Pesanan skema PHILIPS pic microchip PIC16F pin tabung crt plasma tv POLYTRON Pompa air Power Inverter power supply POWER-SUPLY PROBLEM NO DISC DAN PROBLEM OPEN CLOSE PADA VCD AUTECH projector PROTEK psu Radio rangkaian control motor RASTER-BLANK Refrigerant Relay MK2P remote controlled repair Repair Guides REPAIR-TIPS ROM SAMSUNG SANYO SCHEMA Schematics servic TV JVC Service Antena Parabola Digital Service Centre Service Listrik Jogja Service Listrik Sleman service menu Service mesin cuci jogja Service mesin cuci Sleman SERVICE MODE Service Mode TV Service pompa air Jogja Service Sound Sistem Mobil Service Televisi Service VCD / DVD ServiceTV Servis Servis Mode servis mode tv cina SHARP SHARP chassis DUNTKE134WE Show Case Skema TV Software SONY sony tidak bisa start lagi SOUND (SUARA) Sparepart spdif sunplus flash programmer SV 220 TCL Technology Teknik Teknisi telephone terkadang bisa tapi 10 detik +/- mati Timer Spin Timer Washing. TIP DAN TRIK Tip's Tips tips and tricks Tips-Trik Tips. Tools TOSHIBA toslink touch switch Transistor transmitter triac Troubleshooting TUNER-VIF tv TV akari TV CHINA TV CINA TV GOLDSTAR TV JVC TV KONKA TV LG TV LG HORIZONTAL SELALU RUSAK TV PANASONIC TV PHILIPS TV POLYTRON Tv Repair-AIWA Tv Repair-AKARI Tv Repair-AKIRA Tv Repair-DETRON Tv Repair-LG/GOLDSTAR Tv Repair-PANASONIC Tv Repair-POLYTRON Tv REPAIR-SAMSUNG Tv Repair-SANYO Tv Repair-SHARP Tv Repair-SONY Tv Repair-TOSHIBA Tv Repair-TV CHINA TV SAMSUNG TV SANKEN TV SANYO TV SHARP tv sony TV TCL TV TOSHIBA universal remote kontrol VERTIKAL vga video VIDEO-CHROMA Warnings Water Heater WD 40 wlan antenna Zic
Diberdayakan oleh Blogger.